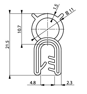
U200 - уплотнитель армированный

U200 - уплотнитель армированный
Описание
Для панели толщиной: 1-3 мм.
Материал: черный EPDM 550 г/дм3.
Уплотнитель армированный.
Упаковка: по 50 м.