Описание
Описание:
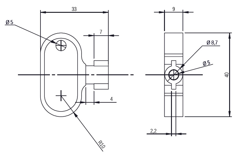
Материал – PA 6 GF30.
Цвет чёрный, коричневый, серый, жёлтый согласно RAL.
Возможны другие цвета под заказ.


